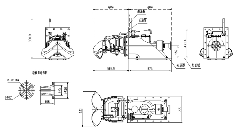
Impeller diameter 230mm
Model: ZLB23-1
Power: 30 ~ 110KW
Speed: 1500 ~ 2200r / min
Weight: 80KG
Rotation: from the tail nozzle to the direction of the coupling as counterclockwise
Material: ZL115
Impeller diameter 230mm
Model: ZLB23-2
Power: 30 ~ 168KW
Speed: 1800 ~ 3200r / min
Weight: 80KG
Rotation: from the tail nozzle to the direction of the coupling as counterclockwise
Material: ZL115

